undefined
Nº inventário:
FMNF/ENT/000003
Designação:
Título:
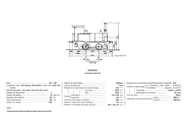
Locomotiva a Vapor: CP 003
Descrição:
Locomotiva construída na Bélgica pela casa Société John Cockerill, em 1890, para a Companhia Real dos Caminhos de Ferro Portugueses. Esta locomotiva e a CP 004 integrante do mesmo lote eram um prolongamento da série CP 001 e 002 de 1882. As máquinas CP 001, CP 002 e CP 004 estavam afetas ao Depósito de Lisboa-Campolide e a CP 003 afeta ao Depósito do Entroncamento, serviu em todas as estações da Grande Lisboa, no Entroncamento e mais tardiamente em Contumil. A pequena dimensão, aliada à robustez e facilidade de manobra, fez com que esta série de pequenas locomotivas se destinasse, exclusivamente, aos serviços de construção da via e manobras nas estações e nos depósitos a que estavam afetas. Eram por isso, conhecidas por máquinas-piloto. Foram as antecessoras dos locotratores diesel. As locomotivas desta série ficaram conhecidas no meio ferroviário como Ratinhas. A CP 003 esteve largos anos em exposição junto à bilheteira da Estação do Entroncamento, de onde foi retirada em 2005 para integrar o espólio da FMNF.
Origem:
Bélgica; Seraing

Produções:
Société John Cockerill

Cronologia:
1882; Fabricante: Sächsische Machinenfabrik

1890; Fabricante: Société John Cockerill

2005; Esteve largos anos em exposição junto à bilheteira da Estação do Entroncamento de onde foi retirada em 2005 para a FMNF.

Companhia de origem: Companhia Real dos Caminhos de Ferro Portugueses (CP)

Medidas:

Comprimento: 5,71 Metro (m) [Máximo. De tampão a tampão de choque.]

Altura: 3,45 Metro (m) [Rodado ao topo da chaminé]

Altura: 1,00 Metro (m) [Rodado ao centro do tampão de choque]

Diâmetro\Cilindros: 225,00 Milímetro (mm) [Dimensão dos cilindros (diâmetro x curso): 225 x 400 mm]

Diâmetro\Rodas motoras: 800,00 Milímetro (mm)

Localizações:
Georreferenciada; Latitude: 39.46419482 \ Longitude: -8.47445011

Copyright © 2021 Museu Nacional Ferroviário ® - Todos os direitos reservados
in web Acesso online à Coleção. Sistemas do Futuro